Hello all,
New to this site, coming from Maseratilife. Im reaching out here because I need more imput to a problem I have encountered in my car, and I am at a lost. Taking it to the dealer is not an option where im from, so DIY it is. Car is a '12 Granturismo
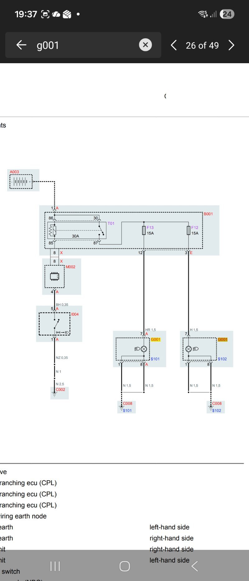
LH headlight will not stay on. When I turn it on, DRL will light up for a split second then turn off. With the headlights off, momentary high beams work, with them on, it does not. Low beams do not work, not even flicker on.
LH Taillight does the same, when i turn on lights, it will turn on for a split second then flicker off. Brake light works ok. Blinkers will work for a split second then turn off.
RH side all works good.
I have cloned and replaced BCM thinking it was that, checked fuses and all is ok.
On the dash i am getting check side lights and adaptive light control unavailable.
I am getting the following codes with my scanner

New to this site, coming from Maseratilife. Im reaching out here because I need more imput to a problem I have encountered in my car, and I am at a lost. Taking it to the dealer is not an option where im from, so DIY it is. Car is a '12 Granturismo
LH headlight will not stay on. When I turn it on, DRL will light up for a split second then turn off. With the headlights off, momentary high beams work, with them on, it does not. Low beams do not work, not even flicker on.
LH Taillight does the same, when i turn on lights, it will turn on for a split second then flicker off. Brake light works ok. Blinkers will work for a split second then turn off.
RH side all works good.
I have cloned and replaced BCM thinking it was that, checked fuses and all is ok.
On the dash i am getting check side lights and adaptive light control unavailable.
I am getting the following codes with my scanner
- B1040 Twilight Sensor - No Response
- B1041 Rain Sensor - No Response
- B1004 Serial Line A-Bus-Link Not Ok
- B1007 LH Direction Indicators - SC GND /5w instead of 21W
- B1013 LH Position Lights - SC GND (BOTH)


